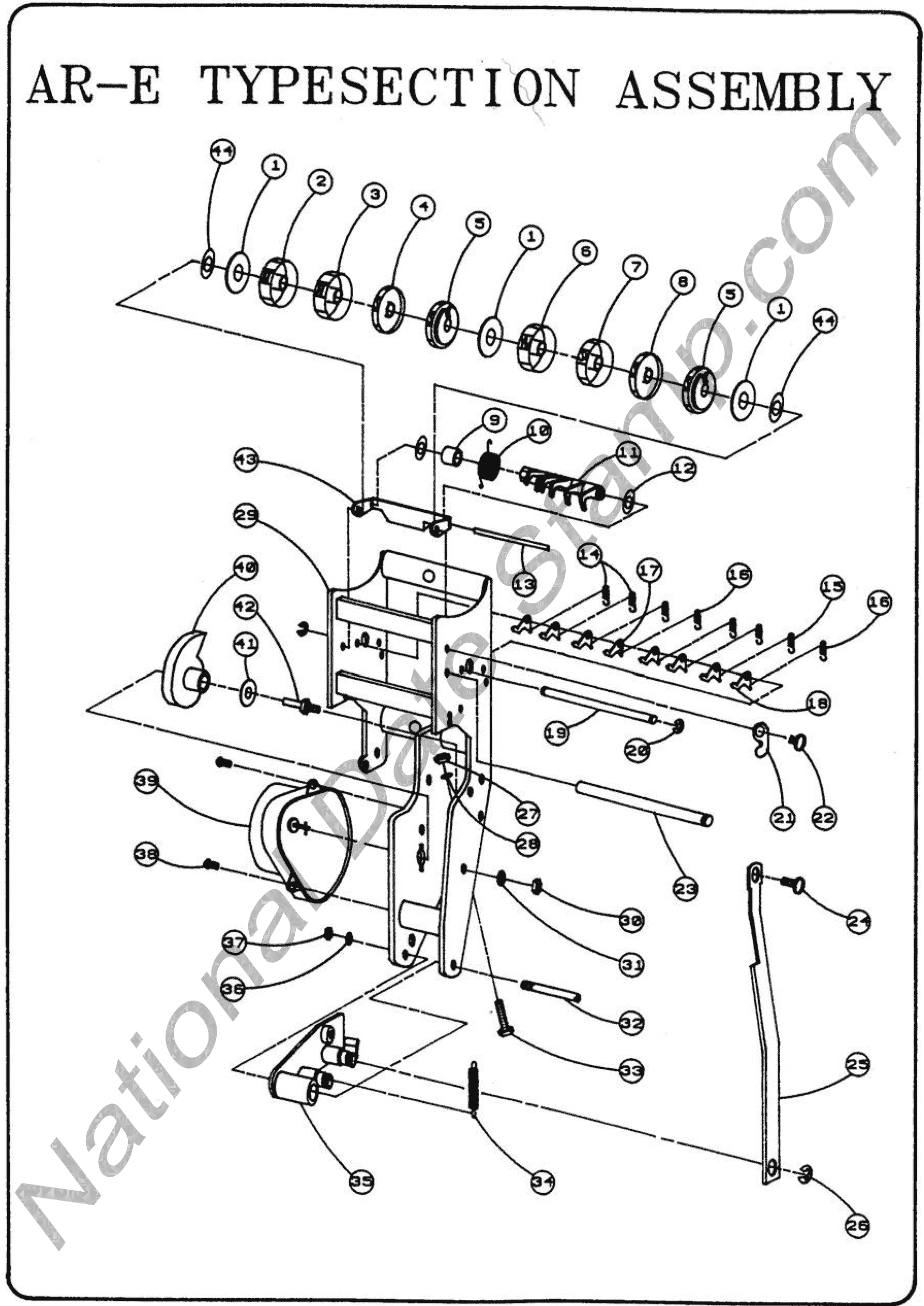
RapidPrint Service Manual / RapidPrint Parts Manual
We provide a large variety of miscellaneous parts for the RapidPrint stamp machines. Though we don't believe most
parts are user serviceable, there are times when a simple part will fix a big problem. And because of the many requests that
we get, each week, it's time to make it easier on all of us.
We have a minimum order of $10 with shipping costs starting at $5. When ordering part(s), please specify the page
title and the part number(s).
PLEASE NOTE: Microsoft Internet Explorer users may experience image resizing making it near impossible to read these pages. To disable
this feature, from the drop-down menu of Internet Explorer go to "Tools -> Internet Options -> Advanced (Tab) -> Enable automatic image resizing" and
uncheck this item.